| توافر الحالة: | |
|---|---|
سلسلة TRSK/FK-F
TR
ميزات المنتج
* فتح وإغلاق الهيكل ، سهل التثبيت في الموقع وسهل التشغيل. التثبيت أو الإزالة السريعة والسهلة دون فصل الكابل الأساسي قيد الاختبار ، وفعالًا للاختبار الحالي السهل واليوم.
* حد كمية واسعة وقدرة قوية لمكافحة التشبع. إدراج النطاق الحالي 0 ~ 600A.
* خصائص مثبطات اللهب: طبقاً لـ UL94-V0.
* فئة الحماية: IP66.
تطبيق المنتج
نظام مراقبة الحرائق الكهربائية ، نظام مراقبة الطاقة معدات الإطفاء ، نظام استهلاك الطاقة الذكي ، شبكة طاقة ذكية منخفضة الجهد ، نظام التأريض الحالي الصغير ، حماية التتابع ، نظام حماية المحرك ، وما إلى ذلك للقياس الحالي ومراقبة وحماية الخطوط والمعدات.
تحميل ورقة الحجم
معلمات المنتج
كهربائي أداء | درجة حرارة التشغيل | -40 درجة مئوية -+70 درجة مئوية | الرطوبة النسبية | ≤90 ٪ |
مستوى الجهد | 0.4/0.66/0.72kV | النطاق الخطي | 5%-120% | |
تصنيف المدخلات الحالية | 0-600 أ | التردد المقنن | 50/60 هرتز | |
الحمل المقدر | ≥20Ω | تردد الطاقة تحمل الجهد | 3KV AC/1MIN | |
فئة الدقة | 0.5 | مقاومة العزل | ≥1000MΩ/500 فولت تيار مستمر | |
ميكانيكي بناء | قذيفة والهيكل العظمي | PA/PC تصنيف القابلية للاشتعال 94-V0 | طريقة الإخراج | كابل المكونات /الغمد المضاد للماء |
المواد الأساسية | السيليكون الصلب/البلورات النانوية/السبائك الدائمة | ختم | راتنج الايبوكسي | |
الهيكل الداخلي | ختم السيليكون للماء | فئة الحماية | IP65 、 IP66 、 IP67 |
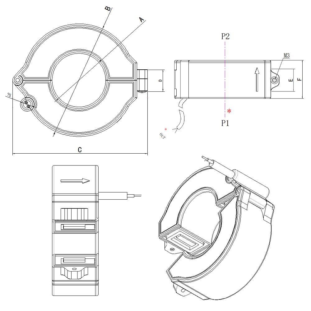
القيمة والأبعاد النموذجية
نموذج المنتج | المدخلات المقدرة | الإخراج المقدر | فئة الدقة | الأبعاد (مم) | |||||
A | B | C | D | E | F | ||||
TRAKL-25W | 0-300A | 0-100 مللي أمبير | 0.3 0.5 0.5s | 25.0 | 60.0 | 75.0 | 14.5 | 19.0 | 30.5 |
TRSKL-25W | |||||||||
TRPKL-25W | |||||||||
Trakl-35W | 0-600A | 35.0 | 73.5 | 88.0 | 14.5 | 19.0 | 32.0 | ||
Trakl-35W | |||||||||
Trakl-35W | |||||||||

مبدأ التثبيت
* قبل إغلاق قلب السيليكون الصلب، تأكد من أن الوجه النهائي للشق نظيف وخالي من البقع والشوائب؛ ويجب معالجته بعامل مضاد للصدأ.
* استخدم مفتاح الربط (الكهربائي /الهوائي) عند تشديد البراغي وضبط عزم الدوران على نطاق معقول.
ميزات المنتج
* فتح وإغلاق الهيكل ، سهل التثبيت في الموقع وسهل التشغيل. التثبيت أو الإزالة السريعة والسهلة دون فصل الكابل الأساسي قيد الاختبار ، وفعالًا للاختبار الحالي السهل واليوم.
* حد كمية واسعة وقدرة قوية لمكافحة التشبع. إدراج النطاق الحالي 0 ~ 600A.
* خصائص مثبطات اللهب: طبقاً لـ UL94-V0.
* فئة الحماية: IP66.
تطبيق المنتج
نظام مراقبة الحرائق الكهربائية ، نظام مراقبة الطاقة معدات الإطفاء ، نظام استهلاك الطاقة الذكي ، شبكة طاقة ذكية منخفضة الجهد ، نظام التأريض الحالي الصغير ، حماية التتابع ، نظام حماية المحرك ، وما إلى ذلك للقياس الحالي ومراقبة وحماية الخطوط والمعدات.
تحميل ورقة الحجم
معلمات المنتج
كهربائي أداء | درجة حرارة التشغيل | -40 درجة مئوية -+70 درجة مئوية | الرطوبة النسبية | ≤90 ٪ |
مستوى الجهد | 0.4/0.66/0.72kV | النطاق الخطي | 5%-120% | |
تصنيف المدخلات الحالية | 0-600 أ | التردد المقنن | 50/60 هرتز | |
الحمل المقدر | ≥20Ω | تردد الطاقة تحمل الجهد | 3KV AC/1MIN | |
فئة الدقة | 0.5 | مقاومة العزل | ≥1000MΩ/500 فولت تيار مستمر | |
ميكانيكي بناء | قذيفة والهيكل العظمي | PA/PC تصنيف القابلية للاشتعال 94-V0 | طريقة الإخراج | كابل المكونات /الغمد المضاد للماء |
المواد الأساسية | السيليكون الصلب/البلورات النانوية/السبائك الدائمة | ختم | راتنج الايبوكسي | |
الهيكل الداخلي | ختم السيليكون للماء | فئة الحماية | IP65 、 IP66 、 IP67 |
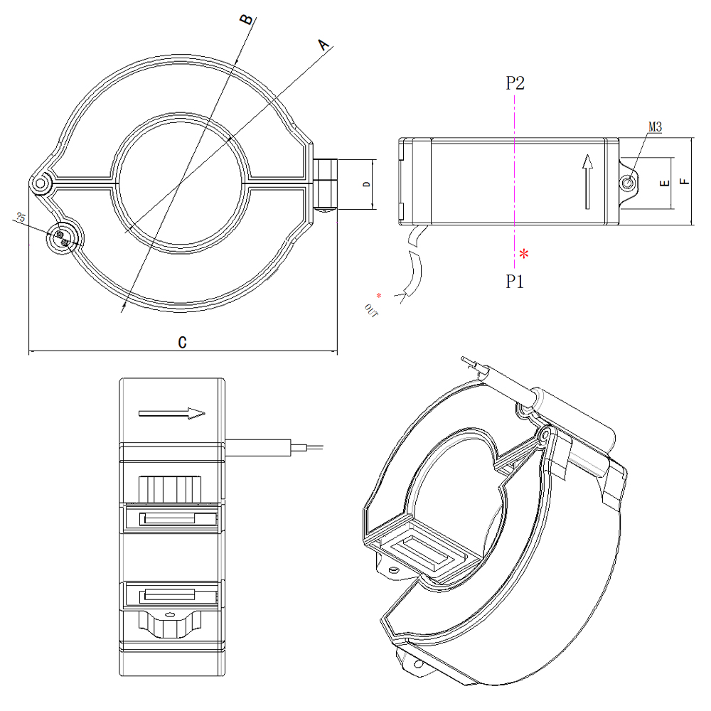
القيمة والأبعاد النموذجية
نموذج المنتج | المدخلات المقدرة | الإخراج المقدر | فئة الدقة | الأبعاد (مم) | |||||
A | B | C | D | E | F | ||||
TRAKL-25W | 0-300A | 0-100 مللي أمبير | 0.3 0.5 0.5s | 25.0 | 60.0 | 75.0 | 14.5 | 19.0 | 30.5 |
TRSKL-25W | |||||||||
TRPKL-25W | |||||||||
Trakl-35W | 0-600A | 35.0 | 73.5 | 88.0 | 14.5 | 19.0 | 32.0 | ||
Trakl-35W | |||||||||
Trakl-35W | |||||||||

مبدأ التثبيت
* قبل إغلاق قلب السيليكون الصلب، تأكد من أن الوجه النهائي للشق نظيف وخالي من البقع والشوائب؛ ويجب معالجته بعامل مضاد للصدأ.
* استخدم مفتاح الربط (الكهربائي /الهوائي) عند تشديد البراغي وضبط عزم الدوران على نطاق معقول.