| توافر الحالة: | |
|---|---|
TRJC1000-43A
TR
نظرة عامة على المنتج
أجهزة الاستشعار الحالية عالية الدقة هي أجهزة متقدمة مصممة لقياس تيارات التيار المتردد والتيار المستمر بدقة وثبات استثنائيين. إنها تحول التيار إلى إشارة كهربائية متناسبة للمراقبة والتحكم والحماية الدقيقة. باستخدام تقنيات مثل تأثير هول، أو بوابة التدفق، أو طرق التدفق الصفري، تحقق هذه المستشعرات خطية عالية، وانحرافًا منخفضًا للإزاحة، واستجابة سريعة. وهي تستخدم على نطاق واسع في إلكترونيات الطاقة، وأنظمة الطاقة المتجددة، والشبكات الذكية، والأتمتة الصناعية، والمركبات الكهربائية. بفضل القدرة القوية على مقاومة التداخل وعرض النطاق الترددي الواسع والتصميم المدمج، تضمن أجهزة الاستشعار الحالية عالية الدقة أداءً موثوقًا في التطبيقات الصعبة التي تتطلب قياسًا دقيقًا ومتسقًا للتيار.
ميزات المنتج
* تيارات صغيرة منحرفة.
* الخطية متفوقة.
* تحمل عزلة عالية .
* خطأ صغير بين الإدخال والإخراج.
* عرض النطاق الترددي واسع النطاق.
* سرعة الاستجابة السريعة.
* عالية الدقة.
* انخفاض درجة الحرارة الانجراف.
تطبيق المنتج
* الكشف عن الطاقة الجديدة.
* منتجات القاعة البديلة .
* قياس الطاقة الإلكترونية.
* التحكم والقياس الصناعي.
* م منشأة طبية.
* معيار S للاختبارات المعملية.
* حركة مرور السيارات .
* الصك والعداد.
معلمات المنتج
يكتب | رمز | حالة الاختبار | دقيقة | تقييم | الأعلى | وحدة |
نطاق القياس | أنا PM | - | ± 1000 | ± 1200 | ADC | |
مزود الطاقة | الخامس ج | النطاق الكامل | ± 14.5 | ± 15 | ± 15.5 | VDC |
الاستهلاك الحالي | أنا ج | ضمن نطاق I PM | ± 40 | ± 710 | ± 840 | م |
نسبة | ك ن | الإدخال : الإخراج | 1500: 1 | - | ||
تصنيف الانتاج الحالي | أنا sn | التيار التمهيدي الحالي | - | ± 666.7 | - | م |
قياس المقاومة | ص م | الرجوع إلى pic.1 | - | 1.5 | 3 | Ω |
دقة | x ه | 25 ± 10 ℃ | - | - | 0.02 | % |
الخطي | ε | - | - | - | 20 | جزء في المليون |
معامل الانجراف في درجة الحرارة | TCI خارج | - | - | - | 0.1 | جزء في المليون/ك |
صفر إزاحة الحالية | أنا س | 25 ± 10 ℃ | - | - | ± 5 | ua |
صفر إزاحة الحالية | أنا | نطاق درجة حرارة التشغيل الكامل | - | - | ± 10 | ua |
تموج الحالي | في | DC-10Hz | - | - | 2 | ua |
وقت الاستجابة الديناميكي | ر | 5% حتى 90%I PN | - | - | 1 | نحن |
DI/DT يتبع بدقة | DI/DT | - | 200 | - | - | أ/الولايات المتحدة |
عرض النطاق الترددي (- 3 ديسيبل) | F | - | 0 | - | 100 | khz |
ملاحظة: التيار المقنن هو RMS الحالي عند قياس AC
الخصائص العامة
يكتب | رمز | حالة الاختبار | دقيقة | الاسمي | الأعلى | وحدة |
نطاق درجة حرارة التشغيل | ر | - | -40 | - | +85 | ℃ |
نطاق درجة حرارة التخزين | ر | - | -55 | - | +100 | ℃ |
إشارة إشارة حالة الإخراج | - | عندما يكون ضوء مؤشر حالة الإخراج (LED الأخضر) قيد التشغيل ، فهذا يعني أن المنتج يعمل بشكل طبيعي ، ولا يتجاوز تيار المدخلات في بوسبر قدرته على تحمل ؛ عند إيقاف تشغيل ضوء مؤشر حالة الإخراج ، يشير إلى أن المنتج لا يعمل بشكل صحيح أو أن القيمة الحالية للإدخال لقرار بوسبر تتجاوز قدرته. | ||||
ميزة الأمان
يكتب | رمز | حالة الاختبار | دقيقة | الاسمي | الأعلى | وحدة | |
تحمل الجهد المعزول | بين الابتدائية والثانوية | VD | 50 هرتز ، 1 دقيقة | - | 2.5 | - | كيلو فولت |
العزلة العابرة تحمل الجهد | بين الابتدائية والثانوية | VW | 50us | - | 5 | - | كيلو فولت |
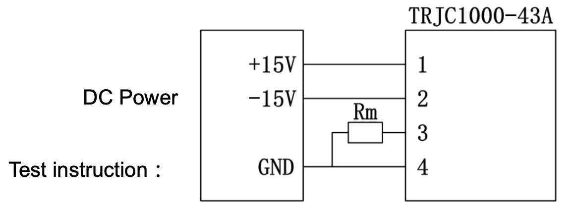
اتصال التطبيق والوصف
تعريف الدبوس
صالة | 1 | 2 | 3 | 4 |
تعريف | +15V | -15 فولت | iout | GND |

من خلال قياس تيار الاختبار الذي يتدفق خلال Rm، أو الجهد UR عند طرفي Rm، يمكن الحصول على IP الحالي الجانبي:

الهيكل والأبعاد

هذا المنتج عبارة عن جزء مصبوب، ومادة PC، وتحمل الشكل والأبعاد وفقًا لـ GB/T14486-2008 MT6.
نوع الإخراج الطرفي، متصل بمحطة 2EDGKM3.81-4P.
نظرة عامة على المنتج
أجهزة الاستشعار الحالية عالية الدقة هي أجهزة متقدمة مصممة لقياس تيارات التيار المتردد والتيار المستمر بدقة وثبات استثنائيين. إنها تحول التيار إلى إشارة كهربائية متناسبة للمراقبة والتحكم والحماية الدقيقة. باستخدام تقنيات مثل تأثير هول، أو بوابة التدفق، أو طرق التدفق الصفري، تحقق هذه المستشعرات خطية عالية، وانحرافًا منخفضًا للإزاحة، واستجابة سريعة. وهي تستخدم على نطاق واسع في إلكترونيات الطاقة، وأنظمة الطاقة المتجددة، والشبكات الذكية، والأتمتة الصناعية، والمركبات الكهربائية. بفضل القدرة القوية على مقاومة التداخل وعرض النطاق الترددي الواسع والتصميم المدمج، تضمن أجهزة الاستشعار الحالية عالية الدقة أداءً موثوقًا في التطبيقات الصعبة التي تتطلب قياسًا دقيقًا ومتسقًا للتيار.
ميزات المنتج
* تيارات صغيرة منحرفة.
* الخطية متفوقة.
* تحمل عزلة عالية .
* خطأ صغير بين الإدخال والإخراج.
* عرض النطاق الترددي واسع النطاق.
* سرعة الاستجابة السريعة.
* عالية الدقة.
* انخفاض درجة الحرارة الانجراف.
تطبيق المنتج
* الكشف عن الطاقة الجديدة.
* منتجات القاعة البديلة .
* قياس الطاقة الإلكترونية.
* التحكم والقياس الصناعي.
* م منشأة طبية.
* معيار S للاختبارات المعملية.
* حركة مرور السيارات .
* الصك والعداد.
معلمات المنتج
يكتب | رمز | حالة الاختبار | دقيقة | تقييم | الأعلى | وحدة |
نطاق القياس | أنا PM | - | ± 1000 | ± 1200 | ADC | |
مزود الطاقة | الخامس ج | النطاق الكامل | ± 14.5 | ± 15 | ± 15.5 | VDC |
الاستهلاك الحالي | أنا ج | ضمن نطاق I PM | ± 40 | ± 710 | ± 840 | م |
نسبة | ك ن | الإدخال : الإخراج | 1500: 1 | - | ||
تصنيف الانتاج الحالي | أنا sn | التيار التمهيدي الحالي | - | ± 666.7 | - | م |
قياس المقاومة | ص م | الرجوع إلى pic.1 | - | 1.5 | 3 | Ω |
دقة | x ه | 25 ± 10 ℃ | - | - | 0.02 | % |
الخطي | ε | - | - | - | 20 | جزء في المليون |
معامل الانجراف في درجة الحرارة | TCI خارج | - | - | - | 0.1 | جزء في المليون/ك |
صفر إزاحة الحالية | أنا س | 25 ± 10 ℃ | - | - | ± 5 | ua |
صفر إزاحة الحالية | أنا | نطاق درجة حرارة التشغيل الكامل | - | - | ± 10 | ua |
تموج الحالي | في | DC-10Hz | - | - | 2 | ua |
وقت الاستجابة الديناميكي | ر | 5% حتى 90%I PN | - | - | 1 | نحن |
DI/DT يتبع بدقة | DI/DT | - | 200 | - | - | أ/الولايات المتحدة |
عرض النطاق الترددي (- 3 ديسيبل) | F | - | 0 | - | 100 | khz |
ملاحظة: التيار المقنن هو RMS الحالي عند قياس AC
الخصائص العامة
يكتب | رمز | حالة الاختبار | دقيقة | الاسمي | الأعلى | وحدة |
نطاق درجة حرارة التشغيل | ر | - | -40 | - | +85 | ℃ |
نطاق درجة حرارة التخزين | ر | - | -55 | - | +100 | ℃ |
إشارة إشارة حالة الإخراج | - | عندما يكون ضوء مؤشر حالة الإخراج (LED الأخضر) قيد التشغيل ، فهذا يعني أن المنتج يعمل بشكل طبيعي ، ولا يتجاوز تيار المدخلات في بوسبر قدرته على تحمل ؛ عند إيقاف تشغيل ضوء مؤشر حالة الإخراج ، يشير إلى أن المنتج لا يعمل بشكل صحيح أو أن القيمة الحالية للإدخال لقرار بوسبر تتجاوز قدرته. | ||||
ميزة الأمان
يكتب | رمز | حالة الاختبار | دقيقة | الاسمي | الأعلى | وحدة | |
تحمل الجهد المعزول | بين الابتدائية والثانوية | VD | 50 هرتز ، 1 دقيقة | - | 2.5 | - | كيلو فولت |
العزلة العابرة تحمل الجهد | بين الابتدائية والثانوية | VW | 50us | - | 5 | - | كيلو فولت |
اتصال التطبيق والوصف
تعريف الدبوس
صالة | 1 | 2 | 3 | 4 |
تعريف | +15V | -15 فولت | iout | GND |

من خلال قياس تيار الاختبار الذي يتدفق خلال Rm، أو الجهد UR عند طرفي Rm، يمكن الحصول على IP الحالي الجانبي:

الهيكل والأبعاد

هذا المنتج عبارة عن جزء مصبوب، ومادة PC، وتحمل الشكل والأبعاد وفقًا لـ GB/T14486-2008 MT6.
نوع الإخراج الطرفي، متصل بمحطة 2EDGKM3.81-4P.